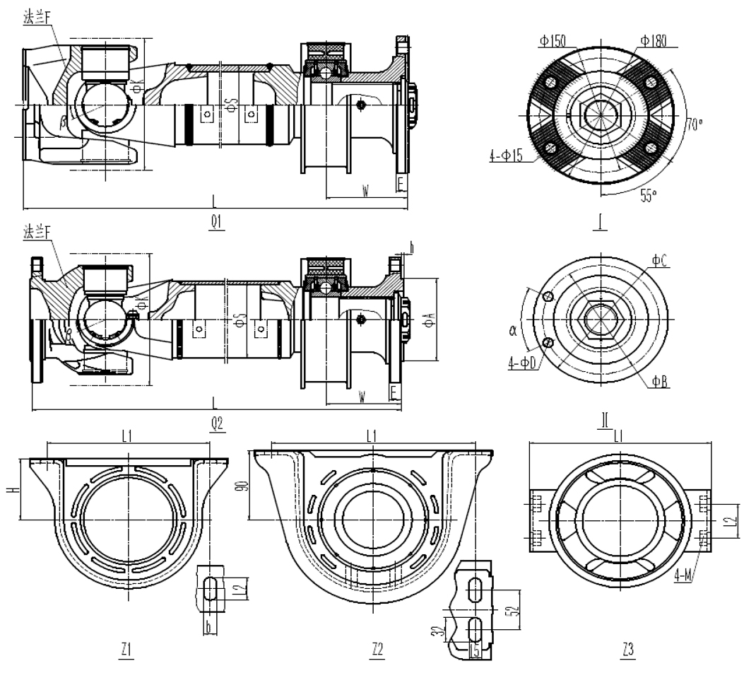
- 结构参数图
- 技术数据

| Tsmax(N.m) | A | h | B | n-ΦD | α | E | K | S | β | W | H | L1 | L2 | b | 4-M | L | 结构 | 中间凸缘 | 支承总成 | 法兰F | 万向节尺寸 | |
|---|---|---|---|---|---|---|---|---|---|---|---|---|---|---|---|---|---|---|---|---|---|---|
| 5-1 | 16500 | ISO-8667-T180 | 150 | 4-Φ15 | 14 | 156 | 92 | 35° | 100 | 80 | 200 | 30 | 15 | 1060 | Q1 | Ⅰ | Z1 | 3-5 | Φ52×133 | |||
| 5-2 | 16500 | 95 | 2.3 | 140 | 8-Φ16.1 | 45° | 12 | 156 | 92 | 35° | 100 | 80 | 200 | 30 | 15 | 1060 | Q2 | Ⅱ | Z1 | 3-7 | Φ52×133 | |
| 5-3 | 21000 | ISO-8667-T180 | 150 | 4-Φ15 | 14 | 168 | 102 | 35° | 100 | 80 | 200 | 30 | 15 | 1110 | Q1 | Ⅰ | Z1 | 3-14 | Φ57×144 | |||
| 5-4 | 21000 | 95 | 2.3 | 140 | 8-Φ16.1 | 45° | 12 | 168 | 102 | 35° | 100 | 80 | 200 | 30 | 15 | 1110 | Q2 | Ⅱ | Z1 | 3-15 | Φ57×144 | |
| 5-5 | 21000 | 110 | 2.3 | 155.5 | 10-Φ16.1 | 36° | 14 | 168 | 102 | 35° | 100 | 80 | 200 | 30 | 15 | 1110 | Q2 | Ⅱ | Z1 | 3-16 | Φ57×144 | |
| 5-6 | 27000 | ISO-8667-T180 | 150 | 4-Φ15 | 14 | 178 | 110 | 25° | 110 | 247 | 50 | 4-M12*1.5 | 2170 | Q1 | Ⅰ | Z3 | 3-1 | Φ57×152 | ||||
| 5-7 | 27000 | 110 | 2.3 | 155.5 | 10-Φ16.1 | 36° | 14 | 178 | 110 | 25° | 110 | 247 | 50 | 4-M12*1.5 | 2170 | Q2 | Ⅱ | Z3 | 4-3 | Φ57×152 | ||
| 5-8 | 27000 | ISO-8667-T180 | 150 | 4-Φ15 | 14 | 178 | 110 | 25° | 100 | 80 | 200 | 30 | 15 | 2170 | Q1 | Ⅰ | Z1 | 4-1 | Φ57×152 | |||
| 5-9 | 30000 | ISO-8667-T180 | 150 | 4-Φ15 | 14 | 195 | 130 | 25° | 110 | 90 | 250 | 30 | 17 | 1360 | Q1 | Ⅰ | Z1 | 4-8 | Φ62×160 | |||
| 5-10 | 30000 | ISO-8667-T180 | 150 | 4-Φ15 | 14 | 185 | 120 | 25° | 100 | 80 | 200 | 30 | 15 | 1200 | Q1 | Ⅰ | Z1 | 4-9 | Φ63.5×152 | |||
| 5-11 | 44000 | ISO-8667-T180 | 150 | 4-Φ15 | 14 | 185 | 140 | 22° | 110 | 90 | 250 | 30 | 17 | 1410 | Q1 | Ⅰ | Z1 | 4-12 | Φ68×165(89) | |||
| 5-12 | 44000 | ISO-8667-T180 | 150 | 4-Φ15 | 14 | 185 | 140 | 22° | 128 | 90 | 1410 | Q1 | Ⅰ | Z2 | 4-12 | Φ68×165(89) | ||||||
| 5-13 | 44000 | ISO-8667-T180 | 150 | 4-Φ15 | 14 | 185 | 140 | 22° | 115.5 | 310 | 60 | 4-M18*1.5 | 1410 | Q1 | Ⅰ | Z3 | 4-12 | Φ68×165(89) | ||||
说明:1.Tsmax:最大瞬时扭矩N.m;2.Lz:压缩后最小长度;3.La:长度补偿量;4.Lz+La:最大工作长度。
相关产品















